2026年若克品牌30KN出力C型伺服压力机最新图纸解析,不仅是设备功能、参数、外观、外形尺寸的详细介绍,更有操作界面、伺服控制软件介绍,详细解析设备的压装过程和工作原理,最后还详细列举设备所用主要元件的品牌信息。
此设备为标准C型电脑款伺服压力机,能在生产过程中对压装力和位置精准控制,能随时控制压力/停止为止/驱动速度/停止时间,能够在压力装配工作中实现压装力与深入的全过程闭环控制。
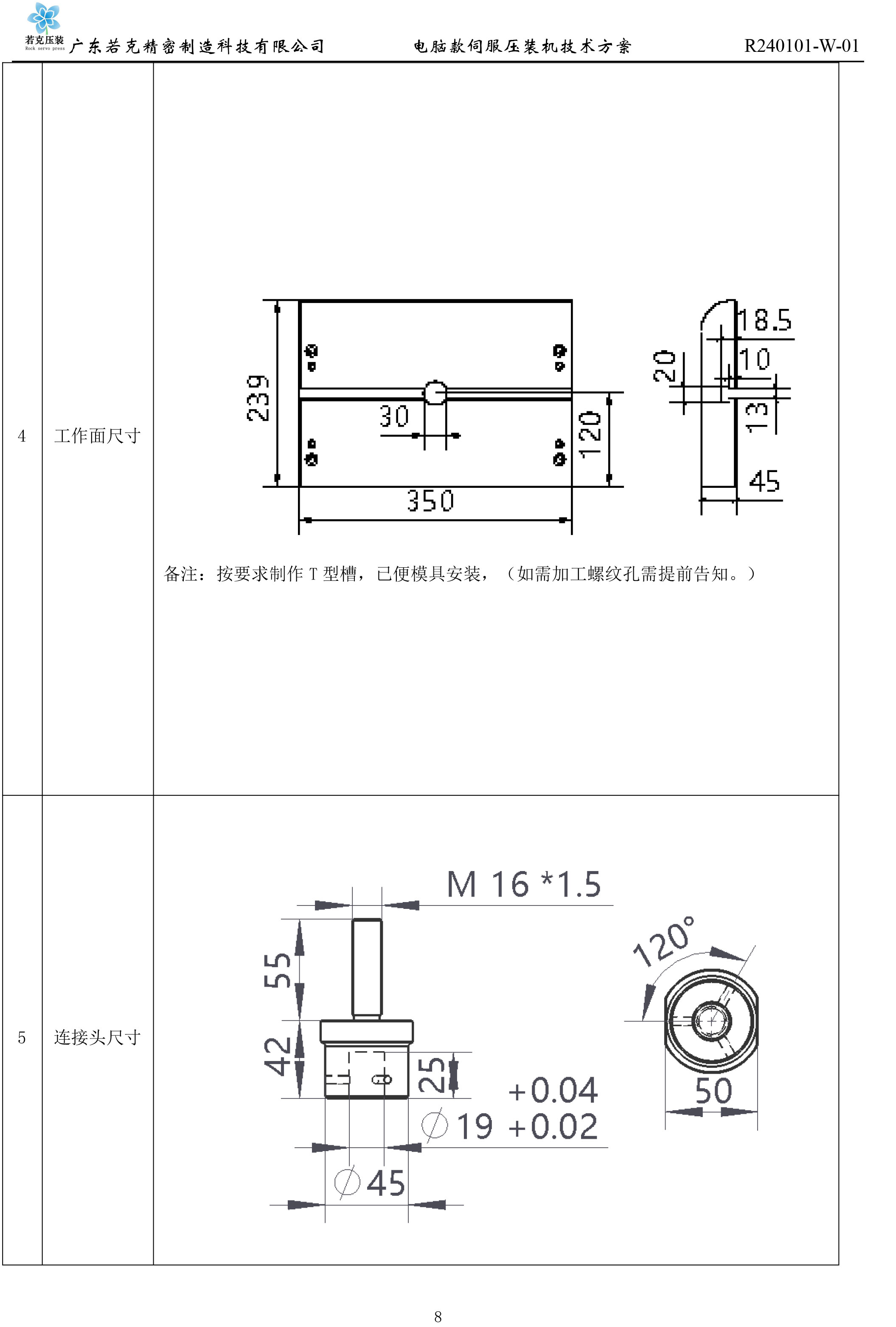
这款伺服压力机适用于五金、电子、电器、电机、军工、半导体、汽车、航空、医疗等生产需求研发的高精度压装设备。此时设备可针对压铆、压装、裁切、成型、整平等工艺。








